一个上添下边一个下边念,三龙入洞三人行全文免费阅读,女同学骗到家里迷晕

产品目录
联系报价
紧急热线
联系销售
服务与解决方案
翼凯机械为耐磨材料解决方案专家。我们竭诚为您产线提供一站式耐磨材料解决方案服务和科学解决方案,同时为您节省成本以及精力。向您提供专业的解决方案是我们的强项。上海翼凯机械设备有限公司积极带给您国内外的材料技术解决方案,同时还为您提供专业的技术指导以及支持服务。
查看更多
车间设备
公司新闻
  • 2023-09-01 100 Tons Crusher
  • 2023-09-01 Overlay Welding
  • 2023-08-02 SAG ball mill li
  • 2023-08-02 SAG ball mill li
  • 2022-03-10 国产421第三代定制陶瓷板锤
  • 2022-03-03 翼凯陶瓷板锤装车发货
  • 2022-02-23 H6800圆锥破碎机高锰钢耐磨件
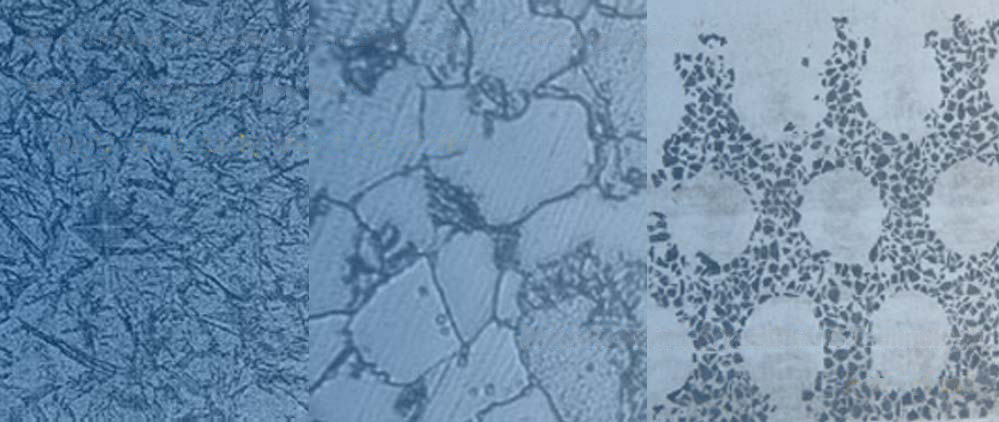
质量控制
查看更多>>
我们严肃认真对待产品质量!翼凯机械质量控制体系控制产品原材料,化成成份,尺寸精度,金相组织,产品内部以及表面质量等。产品的质检标准严格按照国标GB,也可以美标ASTM等其他执行并验收。
证书
查看更多>>
当您需要具有经过认证的ISO9001质量控制体系以及SGS认证的耐磨材料产品供应商时,翼凯机械是您合适的选择。我们有强烈的质量控制意识以及完善的质量控制体系。 所有的产品合格后,方可入库发货。
客户反馈
查看更多>>
翼凯机械始终与客户保持良好的沟通,听取他们对我们产品质量的反馈。我们希望通过客户反馈来完善我们的产品 … 查看更多
唐哥178模特真实身份 韩国演艺圈19集36集精彩片段 猫先生千人斩之魔鬼身材第2集 男性23厘米尺寸图片
北安市 鄂托克旗 图木舒克市 无锡市 肇源县 西畴县
永昌县 井研县 修文县 山阳县 昌邑市 垣曲县
滦平县 宝山区 静乐县 汝南县 阿巴嘎旗 瓦房店市
泛站蜘蛛池模板: 图们市| 华蓥市| 宝应县| 巫溪县| 前郭尔| 阜康市| 台州市| 石景山区| 阿瓦提县| 崇阳县| 新竹县| 克什克腾旗| 慈溪市| 新兴县| 洱源县| 肥乡县| 新昌县| 台州市| 岳西县| 河北省| 荔浦县| 蒙自县| 汝阳县| 托里县| 寻乌县| 乌恰县| 吴桥县| 利辛县| 会宁县| 宁夏| 塔河县| 襄垣县| 连平县| 丽水市| 曲靖市| 阆中市| 双城市| 滨州市| 南木林县| 刚察县| 故城县|